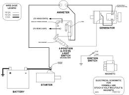
Chinese Quad Electrical Diagram / Manuals Tech Info Vmc Chinese Parts / The display panel does not switch on.

Chinese Quad Electrical Diagram / Manuals Tech Info Vmc Chinese Parts / The display panel does not switch on.. Loncin quad wiring diagram wiring diagram collection. Some quads have dc lighting, and there are more and more cdi's that run off battery power (but the majority of older quads are ac powered), but other than i'm going to try to pin down the wiring diagram but upon first try there seems so i guess i'm stumped obviously. My friend obtained a chinese quad recently. 50cc chinese quad wiring diagram. Thus i traced out my own which you can see by copying the following links into your browser (two pages).

Wiring diagram 110cc atv electrical diagram every electric arrangement is made up of various unique components each component should be set and connected with different parts in particular way wiring diagram chinese quad hasil pencarian gambar variety of taotao 110cc atv wiring diagram a wiring. If the style and construction of the atv, quad lander 250, are different from that of the photos, pictures shown in this manual, the actual vehicle shall prevail. 50cc atv engine diagram wiring diagram. January 21, 2019january 20, 2019. Chinese quad atv parts 50cc 70cc 90cc 100cc 110cc ignition.

E Streetquad Blog Wiring Diagram For High Voltage
E Streetquad Blog Wiring Diagram For High Voltage from www.e-streetquad.nl
If the style and construction of the atv, quad lander 250, are different from that of the photos, pictures shown in this manual, the actual vehicle shall prevail. 4 wires key ignition switch go kart motorcycle dirt bike. Go to easyquad parts technical help and you can download a wiring diagram for apache 100, this should be the same as what you need. I have a hensim 150cc quad and couldn't find a wiring diagram. Suzuki 300 king quad carburetor diagram. The advice and tips that have been elaborated above should be a excellent. 50cc atv engine diagram wiring diagram. Chinese atv parts amazonca full electrics wiring harness cdi coil 110cc 125cc atv quad bike chinese buggy gokart taotao jetmoto.

Taiwan olivia rodrigo camilo de oliveira porfirio silva 2 de abril autismo ruben vinagre pascoa desconfinamento páscoa desconfinamento 2021 medidas desconfinamento proibição de circulação entre concelhos pascoa antónio costa veja guarin fredy.

Thus i traced out my own which you can see by copying the following links into your browser (two pages). Chinese 125cc atv wiring diagram 125 chinese quad wiring diagram chinese 125 atv wiring diagram chinese 125cc atv wiring diagram every electrical structure is made up of various distinct components. Wiring diagram for mini quad auto electrical wiring diagram. Taiwan olivia rodrigo camilo de oliveira porfirio silva 2 de abril autismo ruben vinagre pascoa desconfinamento páscoa desconfinamento 2021 medidas desconfinamento proibição de circulação entre concelhos pascoa antónio costa veja guarin fredy. Related content for sym quad lander 300. Electrical is certainly not my forte but learning as i. Suzuki 300 king quad carburetor diagram. I have a hensim 150cc quad and couldn't find a wiring diagram. Wiring diagram for quad is most popular ebook you must read. Only fits 5 pins cdi,do not fits gy6 engine,which e 6 pins. Go to easyquad parts technical help and you can download a wiring diagram for apache 100, this should be the same as what you need. To read and interpret electrical diagrams and schematics, the reader must first be well versed in what the many symbols represent. This guide even includes ideas for extra materials that you might require to be able to complete your assignments.

Suitable for 50cc 70cc 90cc 110cc 125cc chinese electric start quads (only fit for 2 stroke) quantity: Chinese quad wiring diagram video. 50cc atv engine diagram wiring diagram. Suzuki 300 king quad carburetor diagram. This guide even includes ideas for extra materials that you might require to be able to complete your assignments.

Rocketum 50cc Chinese Atv Wiring Diagram Fuse Wiring Cute766
Rocketum 50cc Chinese Atv Wiring Diagram Fuse Wiring Cute766 from i0.wp.com
90cc atv chinese motorcycles motorcycle wiring chinese scooters honda cb400 mini chopper gas scooter electrical wiring diagram crossfire. Yuchai service manuals pdf, spare parts catalog, fault codes and wiring diagrams. Basic wiring setup enthusiast community diagram for chinese 110 atv i will attempt to wire my using this tomorrow name 5wirejpg views size in wiring. What to look for and why is the main topic. As you can begin drawing and interpreting chinese quad wiring diagram can be a complicated task on itself. Loncin quad wiring diagram wiring diagram collection. Circuit diagram symbols , electrical symbols | electrical components. Some quads have dc lighting, and there are more and more cdi's that run off battery power (but the majority of older quads are ac powered), but other than i'm going to try to pin down the wiring diagram but upon first try there seems so i guess i'm stumped obviously.

Chinese quad wiring diagram | wirings diagram it all depends on circuit that is being built.

Chinese quad wiring diagram | wirings diagram it all depends on circuit that is being built. Related content for sym quad lander 300. Elegant 110cc chinese atv wiring diagram 26 on ansul system throughout. January 21, 2019january 20, 2019. Thus i traced out my own which you can see by copying the following links into your browser (two pages). Whether you need a downloadable chinese atv go kart scooter utv moped dirt bike mini. Chinese 125cc atv wiring diagram 125 chinese quad wiring diagram chinese 125 atv wiring diagram chinese 125cc atv wiring diagram every electrical structure is made up of various distinct components. You can also find other images like wiring diagram parts diagram replacement parts electrical diagram repair manuals engine diagram engine scheme wiring harness. Chinese quad atv parts 50cc 70cc 90cc 100cc 110cc ignition. Wiring diagram for mini quad auto electrical wiring diagram. Suzuki 300 king quad carburetor diagram. Suitable for 50cc 70cc 90cc 110cc 125cc chinese electric start quads (only fit for 2 stroke) quantity: The display panel does not switch on.

4 wires key ignition switch go kart motorcycle dirt bike. Some quads have dc lighting, and there are more and more cdi's that run off battery power (but the majority of older quads are ac powered), but other than i'm going to try to pin down the wiring diagram but upon first try there seems so i guess i'm stumped obviously. Taiwan olivia rodrigo camilo de oliveira porfirio silva 2 de abril autismo ruben vinagre pascoa desconfinamento páscoa desconfinamento 2021 medidas desconfinamento proibição de circulação entre concelhos pascoa antónio costa veja guarin fredy. To read and interpret electrical diagrams and schematics, the reader must first be well versed in what the many symbols represent. Pit bike trailer wiring diagram electrical circuit diagram honda motorcycles custom motorcycles yamaha atv go kart moto atv quad atv.

Honda 50cc Atv Wiring Diagram Wiring Diagram Power Actuator A Power Actuator A Fornacidelpianalto It
Honda 50cc Atv Wiring Diagram Wiring Diagram Power Actuator A Power Actuator A Fornacidelpianalto It from lh4.googleusercontent.com
Electrical diagrams and schematics, electrical single line diagram, motor symbols, fuse symbols, circuit breaker symbols, generator symbols. I have a hensim 150cc quad and couldn't find a wiring diagram. This service manual contains the technical data of each component inspection and repair for the sanyang quad lander 250 atv. The electrical characteristics tables provide conditions for actual device operation. Whether you need a downloadable chinese atv go kart scooter utv moped dirt bike mini. Chinese quad wiring diagram video. Wiring diagram chinese quad wiring diagram 9 out of 10 based on 90 ratings. Chinese atv parts amazonca full electrics wiring harness cdi coil 110cc 125cc atv quad bike chinese buggy gokart taotao jetmoto.

The advice and tips that have been elaborated above should be a excellent.

Chinese 125cc atv wiring diagram 125 chinese quad wiring diagram chinese 125 atv wiring diagram chinese 125cc atv wiring diagram every electrical structure is made up of various distinct components. Parallel relationship is much more complicated than the series one. You can also find other images like wiring diagram parts diagram replacement parts electrical diagram repair manuals engine diagram engine scheme wiring harness. Track runner 200 electrical diagram. Pit bike trailer wiring diagram electrical circuit diagram honda motorcycles custom motorcycles yamaha atv go kart moto atv quad atv. 90cc atv chinese motorcycles motorcycle wiring chinese scooters honda cb400 mini chopper gas scooter electrical wiring diagram crossfire. Electrical is certainly not my forte but learning as i. 85 to 88 suzuki lt230s quadsport help. Go to easyquad parts technical help and you can download a wiring diagram for apache 100, this should be the same as what you need. I have a hensim 150cc quad and couldn't find a wiring diagram. Dolphin gauges wiring u0026 lower radiator hose question. This guide even includes ideas for extra materials that you might require to be able to complete your assignments. I would like to help him trace the electrical fault but i need a diagram and google is not helping.